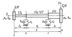
ANALYSIS OF VIBRATION FACTORS AFFECTING THE WORKING BODY OF TECHNOLOGICAL EQUIPMENT
The article examines the influences consider the effects of disruptive elements present during the cutting vibration of the machines’ executive bodies. The patterns of change in the motion trajectory of the billet’s rotating section’s instant center are examined. are shown in the drawing direction...

Actual problems in modern technical sciences / 2025 / December

Asatillaev Yuldashali Malikovich

Volume 9 | Issue 12

3 December 2025, 22:00

DEVELOPMENT OF A MATHEMATICAL MODEL OF COMFORTABLE THERMAL CONDUCTIVITY OF TEXTILE MATERIALS
This article contains the necessary information on the development of a mathematical model of favorable thermal conductivity of textile materials and the fact that it is related to the thermal efficiency of the human body, that is, the amount of heat given, as well as taking into account the...

Actual problems in modern technical sciences / 2024 / September

Umida Abdukhashimovna Vakhidova, Shafoat Sherzod qizi Axmadjanova

Volume 8 | Issue 9

3 September 2024, 21:50

DETERMINATION OF THE LAW OF MOTION OF THE THREAD UNDER THE INFLUENCE OF DYNAMIC FORCES IN THE TECHNOLOGICAL PROCESS
In the process of cloth formation, qualitative and quantitative determination of movement resistance factors is one of the requirements for improving product quality. For this purpose, it is necessary to build adequate mathematical models corresponding to the forces affecting the thread motion. The...

Actual problems in modern technical sciences / 2024 / June

Adizova Aziza Jo‘raqulovna, Mavlanov Tulkin

Volume 8 | Issue 6

PERFORMANCE OF COOPERATION IN THE AGRO-INDUSTRIAL SECTOR OF THE REPUBLIC OF UZBEKISTAN
The article considers the process of effectiveness of cooperation in the agroindustrial sector of the Republic of Uzbekistan. As you know, the world practice of agro-industrial cooperation has a certain position, which fruitfully influence the economy of their countries. In the course of the study...

Actual problems in modern tourizm and economics / 2023 / November

Matchanova Amangul Azatovna PhD, Deputy Head of Student Relations Dep

Volume 7 | Issue 9

15 November 2023, 21:50

METHOD OF ORGANIZING INDEPENDENT EDUCATION OF FUTURE MATHEMATICS AND IT SCIENCE TEACHERS
This article presents modern approaches to the organization of independent education of future teachers of mathematics and computer science in higher educational institutions, as well as an analysis of research by scientists. Information from educational environments and educational platforms in...

Actual problems in modern pedogogy and pshychology / 2023 / February

Otakulova Durdona Rahmonovna

Volume 7 | Issue 2

3 February 2023, 21:50

ASTRONOMICAL CONTENT AND NATURE OF GEOMETRIC FORMS
This article explains that an astronomical analysis of a geometric grid in India in the 16th century revealed a map of 18,000 universes, a cosmogram, and compared it with 18,000 world maps on the roof of the Ulugbek Madrasa in Samarkand....

Actual problems in modern art and architecture / 2022 / May

Saipova Madina Saidakhbor qizi

Volume 6 | Issue 5

FACTORS INFLUENCING ECONOMIC GROWTH AND THE FORMATION OF ITS MULTIFACTOR ECONOMETRIC MODEL
The article presents some factors affecting economic growth and the formation of its multifactorial econometric model, and their adequacy, the stability of the coefficients are tested using the criteria....

Actual problems in modern tourizm and economics / 2022 / January

Kadyrov Farkhod Amirovich

Volume 6 | Issue 1

3 January 2022, 21:59

MODEL OF INCREASING THE EFFICIENCY OF ELECTRONIC EDUCATIONAL RESOURCES OF IMMUNOLOGY
The article presents a model for increasing the effectiveness of teaching immunology and proposals for its implementation in the educational process of future biology teachers....

Actual problems in modern pedogogy and pshychology / 2021 / December

Sharapova Gulnoza Valentinovna

Volume 5 | Issue 24

3 December 2021, 21:59

MODEL OF THE ORGANIZATION OF INDEPENDENT EDUCATION OF FUTURE TEACHERS OF BIOLOGY AND BIOTECHNOLOGY
This article provides suggestions and recommendations on how to organize independent education of future biology teachers in biotechnology, as well as an organizational model....

Actual problems in modern pedogogy and pshychology / 2021 / December

Yahshiboyeva Damira Tolib qizi

Volume 5 | Issue 24

3 December 2021, 21:59

APPLICATION OF MATHEMATICAL MODELING IN SCHOOL COURSES (NATURAL) SUBJECTS
This article discusses the use of mathematical modeling in school (natural) subjects. Man always uses a model in one form or another to study a process, event, or phenomenon. With the help of mathematical models, it is possible not only to analyze the natural sciences and economic processes in...

Actual problems in modern pedogogy and pshychology / 2021 / February

Okbayeva Nilufar Urakovna

Volume 5 | Issue 3

3 February 2021, 23:02