LOGICAL SOLUTION OF ASTRONOMIC DECORATIONS OF THE TOMB OF PAKHLOVON MAKHMUD
This article, determines the composition of the ruts in the vault of the Pakhlovon Makhmud mausoleum that symbolizes the devotion and dedication of Pakhlavon Makhmud to the Creator, the Motherland and the people, as well as his symbolic name " the anchor of Khiva". Representation of...

Actual problems in modern art and architecture / 2021 / September

Saipova Madina Saidakhbor qizi

Volume 5 | Issue 18

3 September 2021, 21:58

CONTROL OF FABRIC SURFACE DEFECTS
The current problem of controlling the technological parameters of the fabric during their primary processing is highlighted. The structural diagrams and the principle of operation of visual-optical and radiation methods and devices for controlling the intraspot of the tissue shell are presented....

Actual problems in modern technical sciences / 2021 / September

Kipchakova Gavharoy Mirzasharifovna

Volume 5 | Issue 18

3 September 2021, 21:58

ELECTRICAL MATERIALS INSULATION
In this article highlights any gas contains a certain amount of electrically charged particles - electrons and ions - that are in an irregular motion in the gas, even before it is subjected to an electric voltage. In any gas there will be a certain number of electrically charged particles -...

Actual problems in modern technical sciences / 2021 / September

Mirzaev Sardor Abdulladhonich

Volume 5 | Issue 18

3 September 2021, 21:58

USE OF FOUR-STROKE LIFTING CONVERTERS IN TRACKING SYSTEMS OF SOLAR PLANTS
The article discusses the issues of increasing the efficiency of solar energy devices of low power, which shows the results of providing constant high power in solar power plants of low power four-stroke lifting wide pulses. In the course of the work, the types and elements of low-power solar power...

Actual problems in modern technical sciences / 2021 / September

Tojiboev Abror Kahorovich, Urozaliev Gayrat Turonovich

Volume 5 | Issue 18

3 September 2021, 21:58

CREATION AND RESEARCH OF ENERGY-SAVING INVERTERS USED IN A MICRO-HPP
The results of experimental studies of control systems for inverters with a high efficiency when used as part of a Micro-HPP, a hydroelectric unit with a static frequency converter in order to stabilize the output voltage of a power plant are presented....

Actual problems in modern technical sciences / 2021 / September

Khakimov Murodzhon Fozilovich

Volume 5 | Issue 18

3 September 2021, 21:58

EFFECT OF DISCRETE DRUM CONSTRUCTIVE ELEMENTS ON PRODUCT QUALITY INDICATORS
This article examines the quality characteristics of yarns made from the recommended random drum. This article examines the quality characteristics of yarns made from the recommended random drum....

Actual problems in modern technical sciences / 2021 / September

Djumaniyazov Kadam, Kazakova Dilafruz Erkinovna, Ismatova Maxsuda Mirzaqulovna

Volume 5 | Issue 18

3 September 2021, 21:58

METHOD OF OPERATIONAL REGULATION BY SHUNTING LOCOMOTIVES AT RAILWAY STATIONS
In the conditions of operation of shunting locomotives at railway stations, it is necessary to make an operational decision on the transfer of locomotives between cargo objects. When regulating the transfer of locomotives from one cargo object to another, many options arise, from which it is...

Actual problems in modern technical sciences / 2021 / September

Aripov Nazirjon Mukaramovich, Suyunbayev Shinpolat Mansuralievich, Jumaev Sherzod Bahrom ugli, Kayumov Shokhrukh Sharof ugli

Volume 5 | Issue 18

3 September 2021, 21:58

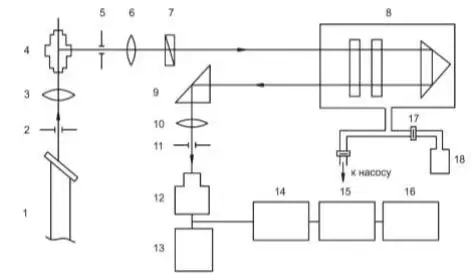
MANDELSTAM-BRILLUEN SCATTERING IN A STRETCHING SOLUTION
The principle of operation of an experimental setup for studying the velocity and absorption of hypersound in liquids based on a two-pass Fabry-Perot interferometer is described in detail, the displacements and widths of the MandelstamBrillouin components in aniline-cyclohexane solution in the...

Actual problems in modern technical sciences / 2021 / September

Sabirov Leonard Muxamedjanovich, Karshiboev Shavkat Esirgapovich, Kadirov Shavkat Abdullayevich, Buriev Sardor Begmurod o’g’li, Khasanov Mukhriddin Abdurasul o’g’li

Volume 5 | Issue 18

3 September 2021, 21:58

THE IMPACT OF FORMATION OF INNOVATIVE ECONOMY TO THE CYCLICAL DEVELOPMENT
The article reveals the formation of immunity against systemic risks and economic crises through the innovative development (R and D) of the economy by the analysis of anti-crises programs. It has also been argued that increasing of spending on innovation will lead to economic growth. At the end of...

Actual problems in modern tourizm and economics / 2021 / September

Jabbarov Kamoliddin Yuldashevich

Volume 5 | Issue 18

3 September 2021, 21:58

IDENTIFICATION OF LIVESTOCK DEVELOPMENT DIRECTIONS AND FORECAST INDICATORS IN THE REGION
In this paper looked through the trends in the development of livestock in the Republic of Karakalpakstan. The volume of livestock production is forecasted until 2025 on the basis of data for 1991-2020. Developed conclusions and recommendations for the development of livestock in the region....

Actual problems in modern tourizm and economics / 2021 / September

Saukhanov Janibek Kazievish

Volume 5 | Issue 18

3 September 2021, 21:58